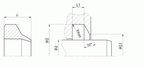
Изготовление деталей на заказПо размеру изделияПо размеру монтажной полости D1 * h1 * h * d * D * Материал манжеты PU1-полиуретан масло-водо-бензостойкийRub1-резина масло-бензостойкая (МБС)Rub2-резина фторкаучуковая (FKM) Количество Заказать Имя * Номер телефона * Срок поставки Примечание Заказать D1 * D * l * l1 * d * Материал манжеты PU1-полиуретан масло-водо-бензостойкийRub1-резина масло-бензостойкая (МБС)Rub2-резина фторкаучуковая (FKM) Количество Заказать Имя * Номер телефона * Срок поставки Примечание Заказать